QL Hardware Documents section |
|
Last Updated: 30.06.2025
Aurora Hardware Docs
Aurora_Yahoo_Groups.zip
- A set of Aurora card documents recovered from the old Yahoo hardware
groups. These documents are from the designer of the Aurora card -
Nasta gave implied permission to make these available via messages on
QL Forum - see https://theqlforum.com/viewtopic.php?p=9339#p9339
. Please read the FILES.TXT document within the main zip file for
details of what the five embedded zip files contain. Basically, manual,
schematics and logic chip source codes. Grateful thanks to Derek
Stewart for salvaging these documents and bundling them up for me.
(570K)
Battery Backed Clock
Battery_Backed_Clock.zip
- Battery Backed Clock. Notes on getting the Battery backed clock to
work on the QL. Includes a screen display (LBYTES to address 131072 in
mode 4) of a circuit diagram. (Martin Head) (3K)
Or, download as a PDF file (thanks to Martyn Hill) (197K)
Build Standards, Serial Numbers, Motherboard, Chipset, ROM Versions
Urs König has written a very useful short article about these, which may be found at http://www.sinclairql.net/build_standards.html , where you can see pictures of various QL versions and so on. In case of difficulty, a plain text copy can be found here (4K).
CAPS LED
capsled.zip
- A series of scans of a circuit diagram, instructions and a piece of
code to allow a CAPS LOCK indicator LED to be added to a QL. (Q-View)
(2MB)
capsled.pdf - Cristian from QL Forum has
kindly assembled the scanned documents in the above zip file into a
single PDF and done a bit of work to improve the quality fo the scans
too. (1.2MB)
Circuits
Circuits_SQBoard.zip - Circuits. A selection of text files showing most of the pin out connections of the QL & SuperQboard. (14K)
Connor Hard Disks
ConnorHDDSpec.zip - Connor Hard Drive Specs. A text file detailing the specifications of over 35 Connor IDE hard disks. (7K)
CST Q-DISC Circuit Diagram
CST_Schematic.jpg - A handwritten circuit diagram of a CST Q-Disc floppy disc interface, based on v1.16 controller card. (Marcel Kilgus) (447K)
CST_schematic2.png - Circuit diagram reverse engineered from a CST Q-disc by a member of QL Forum (72K)
D2Mac Mods
D2MAC.zip
- Ferguson BSB/D2MAC Baseband Decoder Modification. A circuit diagram
and text file describing how to modify a satellite receiver for extra
channels. (Paul Donald) (5K)EPROM Board
A circuit diagram for a QL 64K EPROM board from z00m, plus a PCB layout diagram from a QL Forum member in Italy.
epromboard.zip (500K)Expanding Your QL
A two part article about expanding your QL system. Looks at hardware,
software and operating systems.
expand.zip (43K)
Expansion Slot and ROM Port Connections
Scanned
from QL user guide, these are here as a reference for anyone wishing to
construct interfaces to connect to one of these slots.
QL expansion slot (178K JPG file)
QL ROM slot (98K JPG file)
Fast Serial Board
Terry
Harman's fast serial board project, allowing speeds of at least 115,200
baud, with plotter files for pcb, GAL 20v8 prog logic etc. The files
are HPGL Plotter with .3mm pen plot size x1 and HP PCL laser or Deskjet.
serpcb.zip (129K)
serpcl.zip (88K)
serplot.zip (122K)
HAL (IC38) Chip
A
document with equations and JEDEC for the HAL chip in QL (based on
issue 5.3 and 6), from information by Robert Klein in the document
QL_clones_hardware.pdf below, with small modification by Marcel Kilgus (fixed pin names)
and JEDEC listing from Miroslav Werner, originally published on
Sinclair QL For Everyone Facebook Group.
HALic38.txt (6K)
Hard Disk Info
Hard_Disk_Info.zip
- Hard Disk Info. A collection of ASCII files giving details of 37 Hard
Disks. Giving details of Heads, Cylinders, Tracks Etc. (27K)
Ian Burkinshaw Hardware Articles
Hardware based projects written by Ian Burkinshaw for QL Today magazine. Ian's articles have their own page - click here.
Interfaces Guide
An article from IQLR magazine by the late Denis Briggs, listing most of
the early QL disk interfaces and other cards, complete with simple
diagrams to aid identification. The diagrams are PIC files to go with the
QL versions of the document.
dbhw.zip (90K)
Alternatively, here is a PDF file version on the document:
intfaces.pdf (596K) [23/11/18]
Internal RAM Expansion
Eagle
and WinCUPL files from Phill Harvey-Smith for an internal RAM expansion
board for QL. This was originally released via QL Forum in 2014. Phill
wrote about this at the time: "There is a layer called 'drill_aid' if
you are making the board by hand etching and drilling manually, you
should print this layer out when making the masks for the top and
bottom etches as it makes locating the drill correctly for drilling the
larger holes much easier. You also might want to put a top and bottom
layer polygon over the board so you only etch the copper either side of
the tracks, you'll probably want to use an isolate setting on this of
24mils, the uploaded board doesn't have this as I normally put multiple
boards on a single Eurocard sized board before etching so as to better
utilize the board I have a script that draws the eurocard and polygons
as needed. You may also need to load the RAM.dru (design rules) or the
pads on the CPU may end up being too big. The CPU holes are designed to
accommodate turned pins like the ones from sockets pushed out and
fitted individually."
InternalRam-mk1.10.zip (59K) [11/02/2020]
Joysticks
How to connect a switched joystick such as an Atari switched joystick to
the CTL ports of the QL.
joystick.zip (1K)
Joystick and Serial port connectors.
A diagram showing how to recognise UK QL joystick (type 630W left
handed, W-polarisation) plugs and UK QL serial port (type 631W right
handed, W-polarisation) plugs and pin numberings.
joystickandserialplugtypes.jpg (81K)
Further details on the various BT-style type 600 connectors and their use on QL and ZX Spectrum available at https://zxnet.co.uk/spectrum/btconnectors/
Keith Mitchell Hardware Documents
A series of ASCII files drawn up by Keith as he has serviced some QL
add-ons over the years. All should be viewable on an 80 column screen as
they are basically plain text files.
hw.zip (13K)
Also, basically the same documents merged into one document, but with a little bit of extra information
hw2.doc - Word .doc file (74K)
hw2.pdf - PDF file (122K)
Keyboard
Here
is a diagram of the keyboard connection for a QL, based on the diagram
in Fig. 4.2 of the QL Service Manual, which says "The configuration is
basically an 8x8 matrix with particla extra diode isolation." The
improved diagram is by Lee Privett:
keyboard.png
Two articles about tinkering with the QL keyboard may be found here:
Using an Arduino to connect a QL keyboard to a PC via USB
Putting a Raspberry Pi into a QL case
LEDs
A diagram (93K) from Cristian on QL Forum, showing how to re-attach the LED (Light Emitting Diodes) wires inside the QL. JPEG image.Medic Board Circuit Diagrams
Circuit diagram, in two parts, of the Medic QL expansion boards.
medic1.png
medic2.png
Microdrives
Some notes on QL microdrives, from Tobias Fröschle
Microdrives.pdf (192K)High Speed Modems
highspeedmodems.zip
- An article from 1992 which discusses high speed dial-up modems,
including the 9600 and 14400 bps systems emerging at that time. (11K)Mouse Project
Gianni
Carugno has kindly released this QL mouse project. This project allows
a PS/2 mouse to be connected to the CTL ports on a QL and emulates
cursor key presses. The zip file includes a number of PDF files with
circuit diagrams, PCB layouts, parts list, adaptor lead details and
firmware. Power can be supplied either via a low power PSU or from the
QL via the external ROM port.
gc_qlmouse.zip (124K)
Network
QL network protocols. Notes on the QL network and timings, both on standard BBQL and with Toolkit 2.
QL_Network_Protocols.pdf (84K)
Parallel Port
A
user on QL Forum came across a rare parallel printer interface for a
QL, which connects to the QL EPROM slot. We believe it may have been
released by Adman Services. It has a small onboard EPROM.
For
posterity, a zip file has been prepared with the contents of the ROM
and the GAL, plus the Eagle 6.x design files for the traced
circuit.
par_printer.zip (35K)Peripheral ROMs
A
short extract from Andy Pennell's QDOS Companion book, which documents
the ROM header code for an expansion card ROM, and how to work around
the limitation that older QLs (up to and including QDOS v1.13/version
JM) can normally only recognise one peripheral card with an on-board
ROM. A short piece of assembler code is included to help explain how to
correct or work around this. May be particularly useful for those
wishing to build a peripheral expansion backplane unit, for example.
Peripheral ROMs (PDF) (192K)QEP III Service Manual
Ian
Burkinshaw has produced a Service Manual to help with repairing QEP III
Eprom Programmer boards. Includes circuit diagrams in the PDF file. The
spreadsheet (Excel format) contains test resuls to aid fault finding.
QEP3 Service Manual ver2.pdf (1.3MB) - QEPIII service manual PDF file (revised 21/03/16]
QEP3%20test%20sheet.xls (57KB) - Test results spreadsheetQL Circuit Diagram
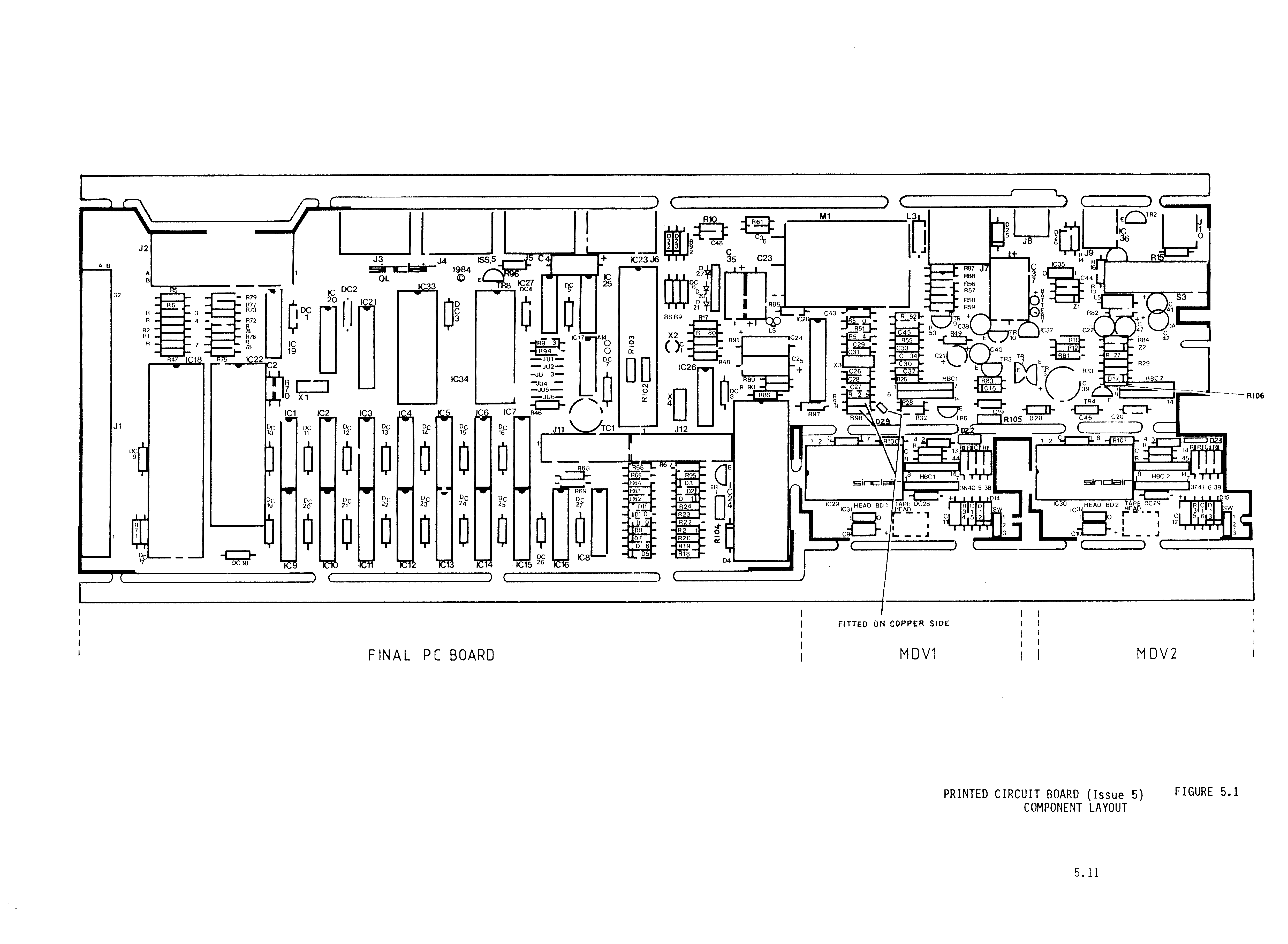
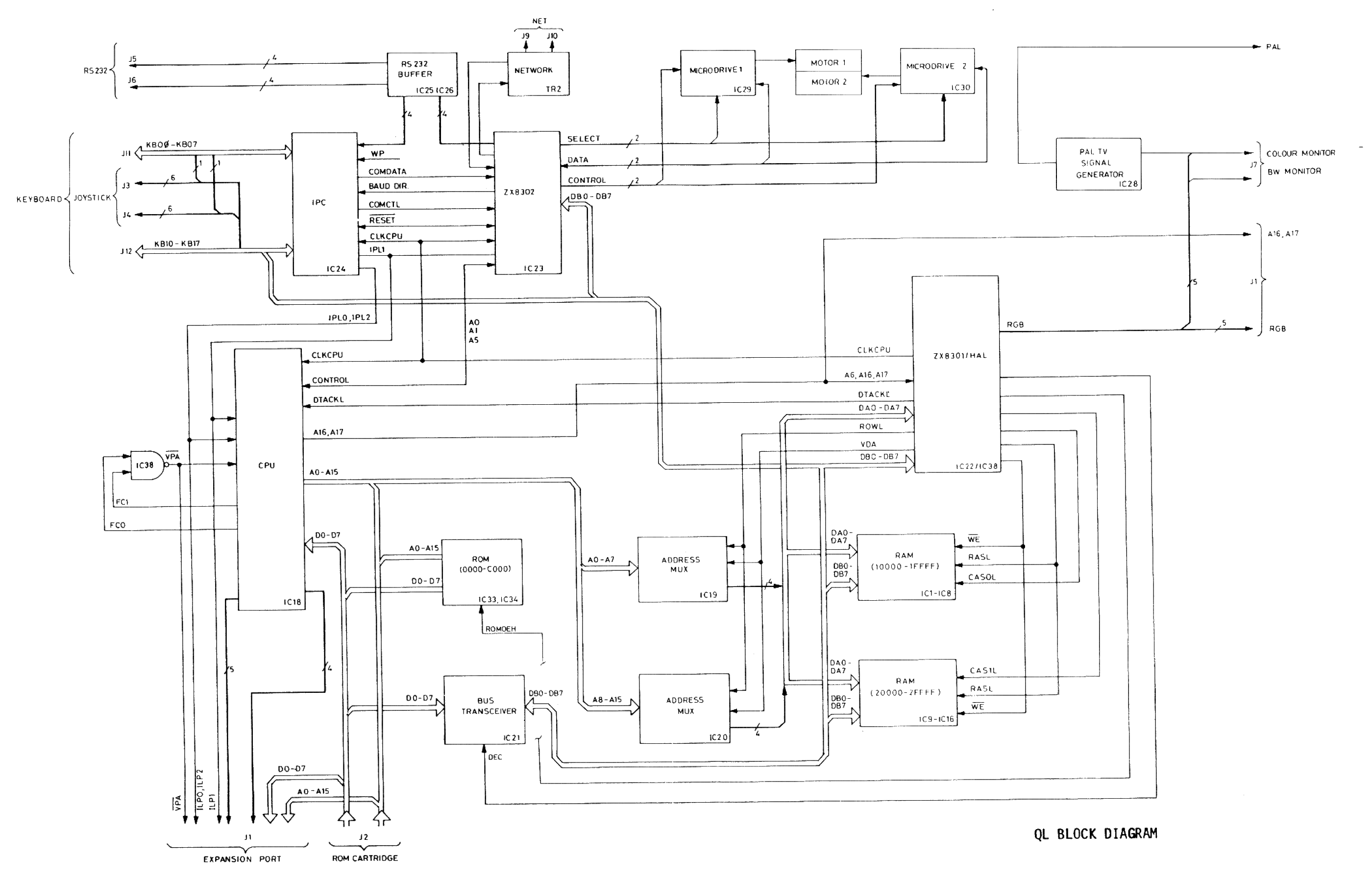
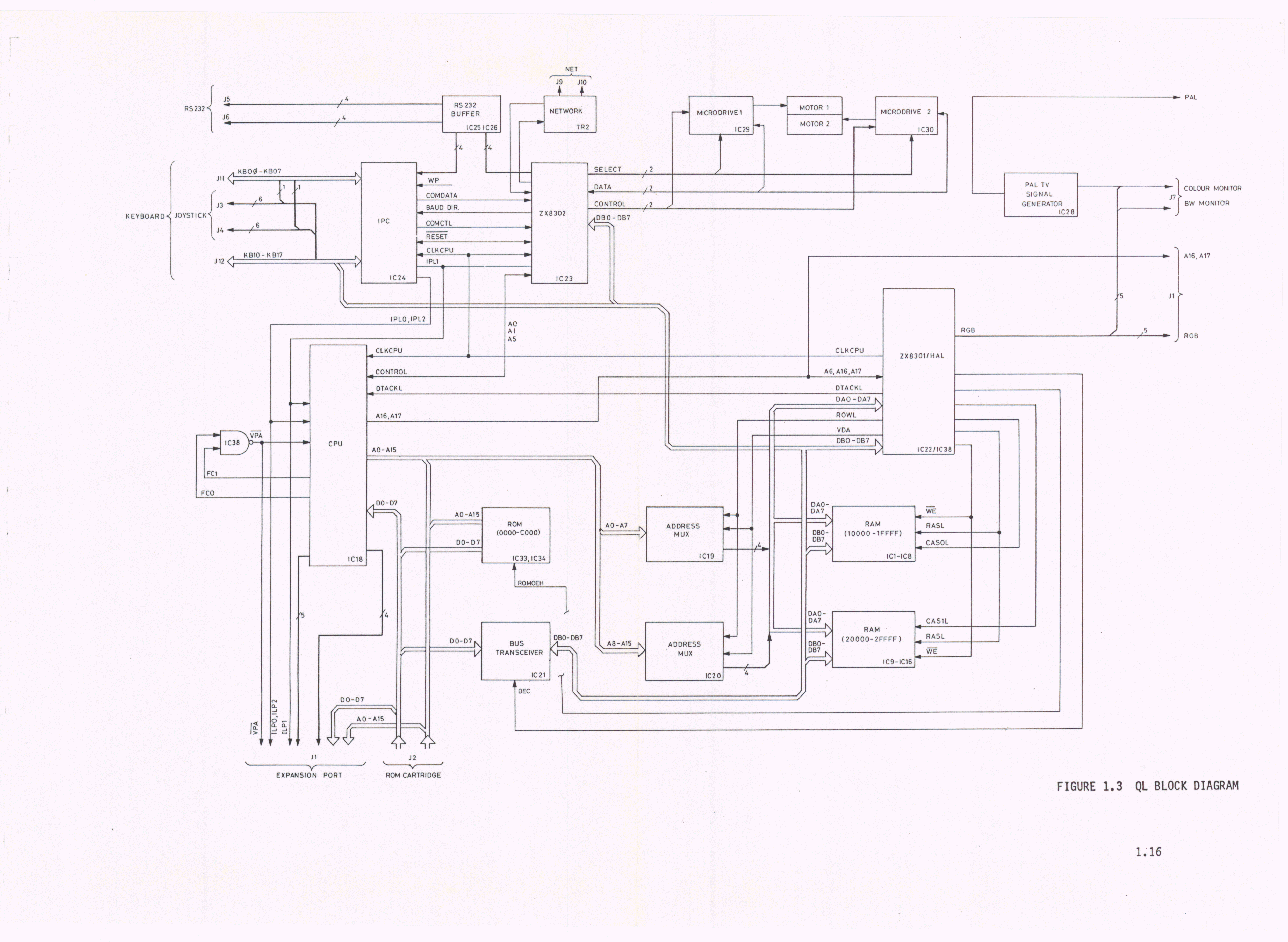
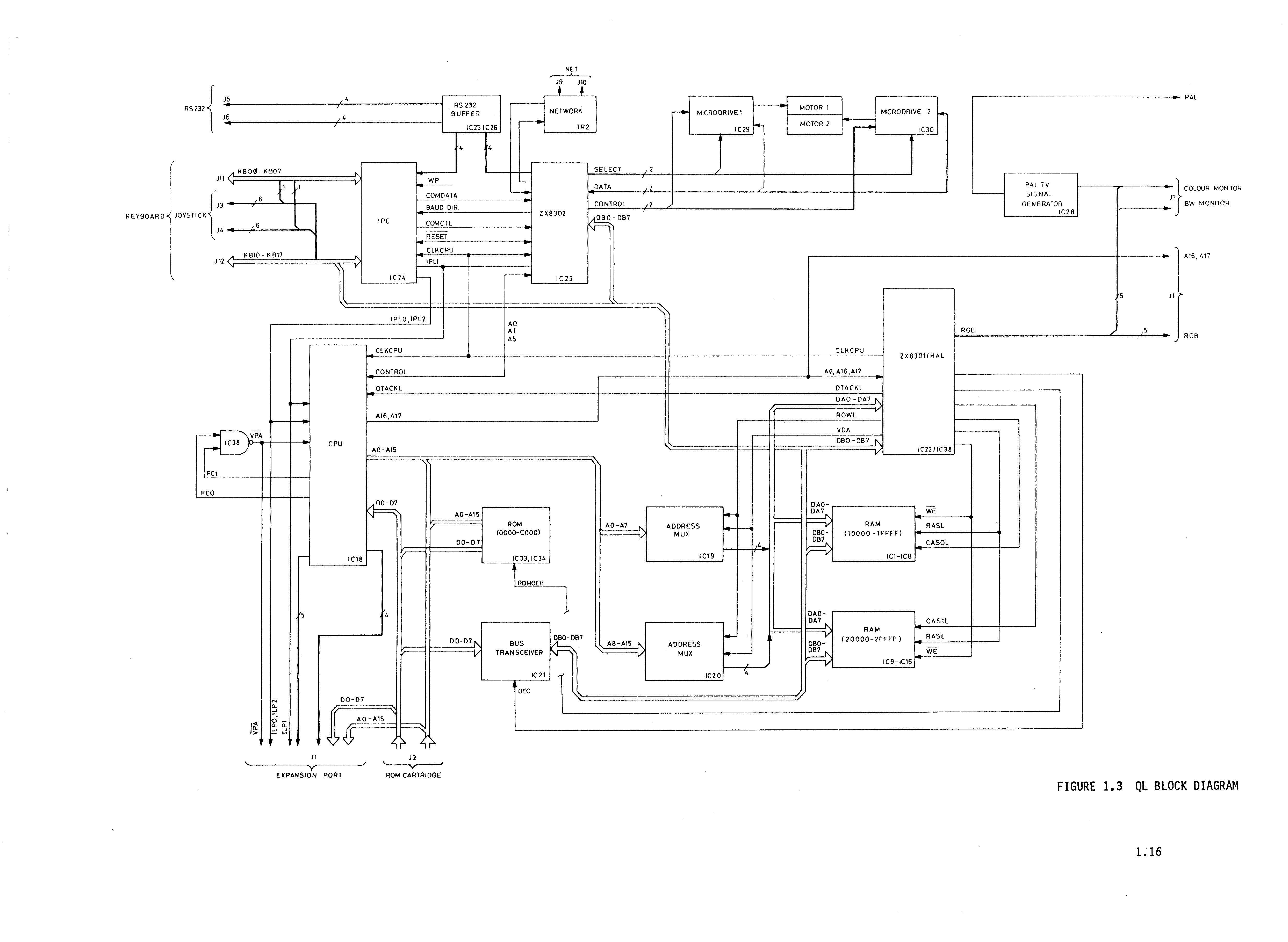
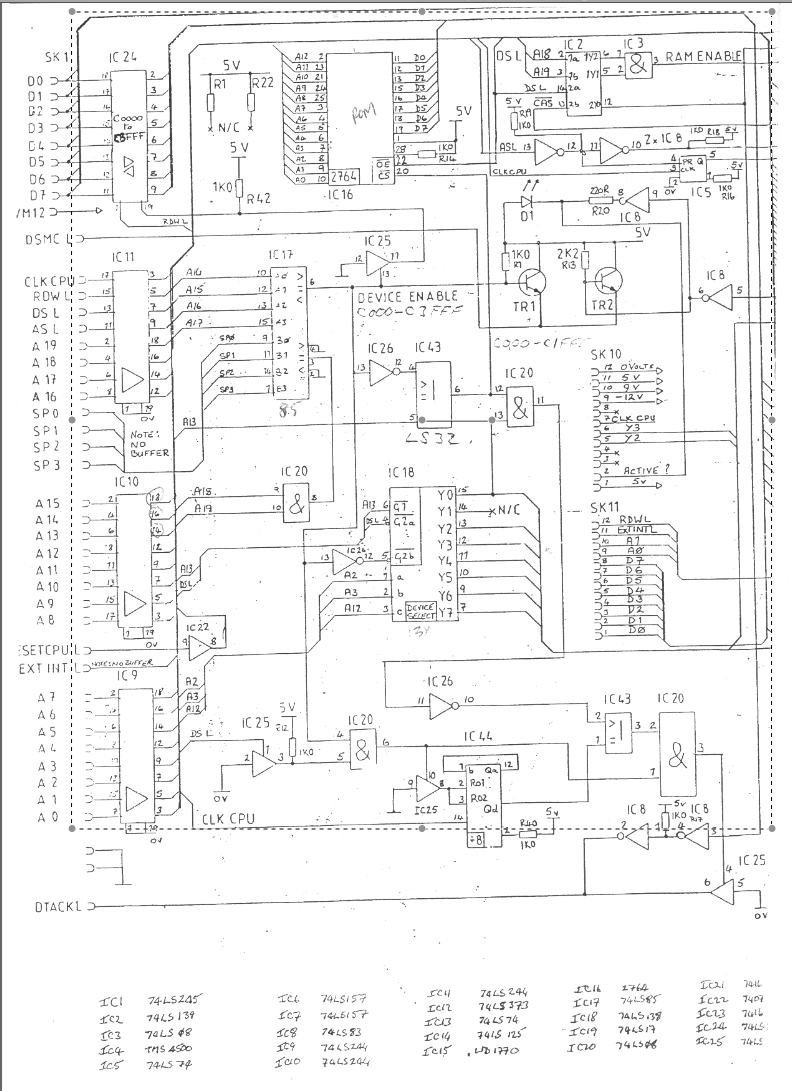
Circuit
diagrams of the QL issue 5 and issue 6 boards. Scanned from QL Service
Manual. The originals were poor quality, so I scanned these at high
resolution (600dpi) to try to preserve quality as best as I could, but
this has resulted in very large approximately A3 sized scans.
QL block diagram (581K, PNG file)
Issue 5 Board Circuit Diagram (3.8MB JPG file)
Issue 6 Board Circuit Diagram (3.3MB JPG file)
Jörg
Kramer has kindly scanned a higher quality version of some of the QL
circuit diagrams. He supplied them as TIF files, but due to the size I
converted them to somewhat smaller colour PNG files without loss of
quality, and to even smaller (slight loss of quality) black and white
files:
QL Circuit Diagram Issue 5 colour (9MB)
QL Circuit Diagram Issue 5 mono (0.5MB)
QL Circuit Diagram Issue 6 colour (9MB)
QL Circuit Diagram Issue 6 mono (0.5MB)
QL Block Diagram colour (2.8MB)
QL Block Diagram mono (99KB)
QL PCB Component Layout Issue 5 colour (3.5MB)
QL PCB Component Layout Issue 5 mono (147KB)
QL PCB Component Layout Issue 6 colour (3.5MB)
QL PCB Component Layout Issue 6 mono (135KB)
I've
been sent a couple of revised and updated circuit diagrams of the issue
5 and 6 QL boards, with some corrections as indicated in the
QLschem.txt file below. I very much hope that these diagrams are
correct - if anyone has feedback on them I'll pass on the comments to
the author in case these need updating for any reason. Thanks to
Marcel Kilgus for an additional update pertaining to the ZX8302 to the
issue 6 schematic - see QLschem.txt for details. (David Westbury)
QLschem.txt (1K) - described the changes made in these diagrams.
QLissue5.pdf (74K) - revised circuit diagram for issue 5 QL PCB (PDF file). [10/03/14]
QLissue6.pdf (111K) - revised circuit diagram for issue 6 QL PCB (PDF file). [17/08/18]
QL Clones Hardware
Some notes on the hardware in various QL-type systems and add-ons.
QL_clones_hardware.pdf (91K)
QL Peripherals
Schematics
and layout diagrams of some common QL peripheral cards, including
Miracle Expandaram, Miracle ROM Port Hard Disk Interface, Miracle Midi
V3 and a UK2000 QL PSU (power supply unit - 2 variations)). Zipped PDF
files. Hopefully useful for anyone interested in how these devices
work, or perhaps for someone trying to repair one of them.
QLperip.zip (57K)QL Power Supply
A
diagram showing the pinouts and voltage label of the UK and USA QL power supply
unit, to help anyone wishing to create a replacement power supply.
QL Power Supply (.PNG file - 56K)
Thanks to Alberto M. Franchi on the "Sinclair QL For Everyone" group on
Facebook, here are circuit diagrams of the two main types of QL power
supplies, both providing the 9v/16V feeds, but to build one you would
need to find the required transformers with multiple secondary outputs,
and the QL power plug can be impossible to buy as well now.
psu1.jpg (82K) - Regulation directly through thyristor.
psu2.jpg (81K) - Regulation using transformer winding.
QLHD
This
Disk contains Dirk Steinkopf's PD Hard Disk Interface and Software for
the Sinclair QL. The Hard Disk system components are as follows:
1. A Hard Disk (not supplied) any drive that can be connected to an OMTI or WD controller i e MFM or RILL Drive.
2. An OMTI-5520, WD-1 002A-WX1 or ST11 R Controller (not supplied).
3. A circuit to connect the Controller to the QL bus (diagram supplied).
4. The driver Software which is the Interface to QDOS (supplied on the Disk.
QLHD.zip (274K)
VGA Monitors With QL
Normally,
you cannot connect a QL video output to VGA monitors as the QL video
signal is not compatible. However, with a couple of adaptor boards, as
described in this article, it is possible to connect a QL to a VGA
monitor and in most cases get the full 85 characters per line without
the usual loss of a couple of characters at the edges of the Monitor
Mode display of the QL.
ql2vga.doc Word doc version of QL to VGA monitor article (1.07MB)
ql2vga.pdf PDF file version of QL to VGA Monitor article (239K)
The
above article refers to a device called the Simple Video Scalar from JS
Technology Ltd. Here is an article about the device from Dr. John Sim
of JS Technology Ltd, originally published in Quanta magazine, about the device:
SimpleVideoScalar.pdf (99K) - PDF format.
Marcel
Kilgus (he of QPC2 and QPCprint fame) has announced in 2019 that he is
working on a QL to VGA display adaptor board. You can read about his
work and progress on the device on his blog at https://www.kilgus.net/blog/
QL Video
Two articles about the QL video system. The first is a PDF file from
Marcel Flipse which shows how to make a little circuit board which inverts
the Csync pin video signal. This allows the QL to be connected to CGA
monitors, which expect an active-high signal (QL Csync pin normally gives
out an active-low signal). The second article (from Bob Gilder) explains
how to use an IBM CGA monitor with a QL.
cga.zip (184K)
QL video monitor connection. A scan of the diagram from the QL manual for reference with pinouts for a QL monitor connection.
monitor connections.jpg (150K JPG file)
SCART Video Connection
Article from QL Today by Richard Cooke showing how to connect QL video
to a Scart input TV. Details for both RGB and composite video. Shows how
to connect suitable value resistors in line with the colour signals to
ensure correct voltages etc. along with the calculations involved.
scart.zip (29K)
Serial Ports Connections
Serial ports are a very useful means of interconnection between
computers, but wiring cables for them can be a tricky experience! This
article, written with advice from Tony Firshman, shows how easy it is to
connect up the various types of serial ports you are likely to encounter.
It may be useful if you wish to try to make up cables for use with the
Sernet serial networking software for example. An article from QL Today
magazine. The second article is also about making cables for serial file
transfers between QL and PC. Covers making cables for QL connectors and PC
serial ports which use 9-pi and 25-pin D connectors. The diagrams are in
.GIF format.
serials.zip (124K)
German QL Serial Ports (2K)

Picture of German QL serial port sockets
Sermouse - SER2 Adaptor
Thanks to Cristian on QL Forum, here's a JPEG diagram (130K) of the wiring for a UK 6-pin SER2 to 9-pin Sermouse adaptor cable.SuperQBoard Modifications
A set of text documents from Keith Mitchell about upgrading a
SuperQBoard interface: the mouse interface, PALs and ROM upgrade and piggy
back memory upgrade.
sqbmods.zip (5K)
A pair of circuit diagrams of the SuperQBoard interface from Marcel
Kilgus. The first is for a DD disk drive version, the second for a HD disk
upgrade. Both are .png file graphics.
ql-flp.png (158K) The DD version.
ql-flp-hd.png (165K) The HD version
Marcel Kilgus has written an article on his blog, where he describes
an old very customised QL of his, and written about the modified SuperQBoard and an Eprommer II board. The article includes circuit diagrams, design and software - ROM images and GAL files. https://www.kilgus.net/2020/09/05/hardware-from-my-past/
Surge Protection
Surge_Protection.zip
- Surge Protection. Notes on building simple surge protectors for
computers and other electrical equipment. A USA file, so refers to 110
volt electrical systems. (Chemical Kidd)
Trump Card Clone
Partially cost reduced/modernized Sinclair QL Trump Card clone with
bonus Dark Brandon meme. Complete with Gerbers etc. By Techfury from QL
Forum, who reckoned that it can be built for approximately $50. Never mind the name joke (Biden Card)!
https://github.com/techfury90/BidenCard
UK QL Serial Ports
An article by H.P.Recktenwald about the U.K. QL serial ports.
ukqlser.zip (7K)
Ulrich Rosowski Interface PCB Photos
A
document with photos of the PCBs of hardware from Ulrich Rosowski. No
documentation, other than what can be seen etched onto the PCBs.
Includes hardware such as the U+5 expansion backplane, Mega-RAM, HD-V2
(hard disk bus interface), Internal ROM expansion card, keyboard
interface. Includes some photos of QIMI PCBs too. Further photos may be
seen on QL Forum.
ql-platinen.pdf (12M)
WD150XT Text
WD150XT_Text.zip
- WD150XT. Information and diagram for use with the Western Digital XT
Intelligent Storage Peripherals interface card. For IBM XT or
compatibles computers. (7K)
What Hardware
Two packages showing how you can read system information to determine
what type of QL hardware and operating system your software is running on.
1. Which Machine Am I Running On?
More recent versions of our favourite operating systems have been ported
to runon various processors and platforms. This article from QL Today
documents system variables and language extensions which will help
software to identify which platform it's running on, e.g. so it can check
for certain hardware facilities and take advantage of them. The article
has been slightly amended from the one published in QL Today (QLay
hardware code details). Note also that since this article was written,
QPC2 no longer pretends to be a 68010 as it now pretends to be a 68020
since it supports new instructions from that processor.
machine.zip (8K)
2. A package by J.D.Mitchell to allow a degree of machine interrogation
via simple BASIC procedures, capable of running on most if not all
systems.
whathw.zip (5K)
ZX8301
A
document in three formats (DOC, ODT and PDF) about the ZX8301 chip in
the QL. Compiled by Derek Stewart from postings by Nasta on this
subject on QL Forum.
8301.zip (1MB) [22/10/18]
Return to Documents Index |
Return to the home page. |
Go to Downloads Index